Page 504 - TS2Plus7.0
P. 504

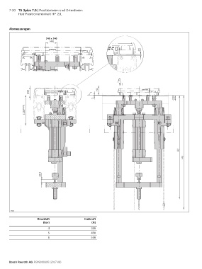
7-20 TS 2plus 7.0 | Positionieren und Orientieren
            Hub-Positioniereinheit HP 2/L




      Abmessungen


                            240 x 240
                              (40)

                                                                                   (2)












                                                           H1
                  (22)
                                                                                                        (22)
                                                        2

                (125 ±0,5 )














                                                                                                          H2

                                                                                                             H3



                         10,5












       27656

                       Druckluft                   Hubkraft
                          (bar)                        (N)
                             4                         350
                             5                         450
                             6                         550







      Bosch Rexroth AG, R999000395 (2017-08)
   499   500   501   502   503   504   505   506   507   508   509